2JZ-GTE (1991): Motor, Turbo, Supra, VVTi, Engine, kaufen
Toyotas Turbokraftwerk 2JZ war die Antwort auf Nissans RB26

Der 2JZ-GTE-Motor aus dem Supra MK4 ist in der Tuningszene so bekannt und beliebt wie kaum ein anderes Aggregat. AUTO BILD erklärt die Technik des Reihensechsers!
Bild: Iconic Coach

Blick unter die Haube: Toyota-Pressefoto zur Markteinführung des Supra MK4 in Deutschland (1993).

Der 2JZ-GTE stammt aus einer Zeit, in der Geld bei der japanischen Motorenentwicklung keine Rolle spielte.
Der Zylinderkopf wurde von Yamaha konstruiert und ist aus Aluminium gefertigt. Die zwei obenliegenden, über einen Zahnriemen angetriebenen Nockenwellen steuern 24 Ventile an. Ab September 1997 wurde der Motor um eine variable Nockenwellenverstellung erweitert, womit die Steuerzeiten verstellt werden können. Interessant: In Japan leistete der 2JZ-GTE wegen des "Gentlemen's Agreement" offiziell nur 280 PS. Die 330 PS starke Exportversion hatte eine überarbeitete Nockenwelle, Turbos mit belastbareren Stahl- statt Keramik-Abgasturbinen und größere Einspritzdüsen.

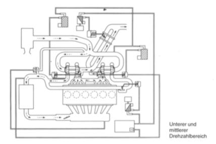
Im unteren und mittleren Drehzahlbereich wird nur ein Turbolader von den Abgasen angetrieben.

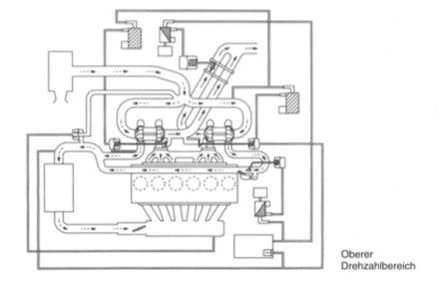
Im oberen Drehzahlbereich werden für maximale Leistung beide Turbolader angetrieben.

Der 2JZ-GTE in diesem Supra MK4 leistet dank riesigem Single-Turbo (links im Bild) weit über 1000 PS.
In der Szene sind 2JZ-GTE-Motoren mit mehr als 1400 PS bekannt. Umbauten dieses Ausmaßes setzen meist auf einen Single-Turbo-Umbau mit riesigem Lader. Das verschlechtert zwar das Ansprechverhalten, erhöht dafür aber die Leistung nach oben hin. Auch das von Getrag mitentwickelte Sechsgang-Handschaltgetriebe des Supra hält übrigens große Kräfte aus und hat seinen Anteil am Robustheits-Nimbus des 2JZ-GTE.
Den 2JZ gab es auch als Sauger namens 2JZ-GE. In Europa wurde dieser Motor unter anderem im Lexus IS 300 und im GS 300 angeboten, dort leistete er zwischen 214 und 222 PS. Auch der Sauger gilt als sehr robust. Für große Leistungssteigerungen muss hier allerdings weitaus mehr Aufwand betrieben werden als beim 2JZ-GTE. Denn im Unterschied zur Turboversion hat der Sauger eine höhere Verdichtung, andere Kolben, kleinere Einspritzdüsen und keine Kolbenbodenkühlung.
Info am Rande: Der 2JZ-GTE verdankt einen Großteil seiner Bekanntheit dem orangefarbenen Supra MK4 aus "The Fast and the Furious". Der Schrott-Supra, den Brian auf einem Anhänger vor Torettos Garage fuhr, hatte allerdings den 2JZ-GE Sauger an Bord. Ob das ein Filmfehler ist oder bewusst geschah, ist nicht bekannt.
Quellen: Toyota, https://jza80.de/de/startseite
Service-Links